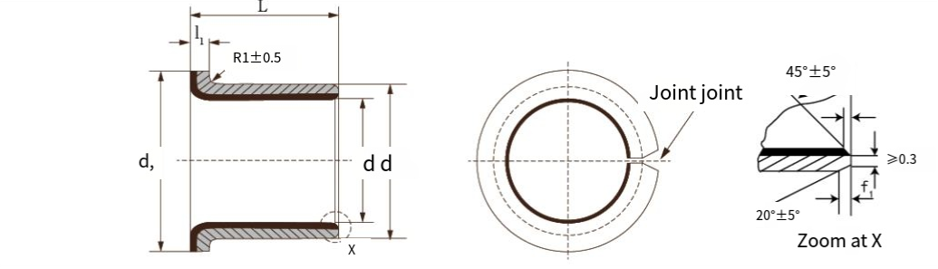
Birim: mm
| Şaft Çapı. f7 | Konut H7 | Kod numarası | Boyut | f 1 | f 2 | ||||
| d₁ | d₂ | d₃ ±0,25 | L±0,25 | C₁-0,2 | |||||
| -0,013 6 -0,028 | 8 0.015 | 06040 | 6 | 8 | 12 | 4 | 1 | 0.6 | 0.3 |
| 06070 | 7 | ||||||||
| -0,013 8 -0,028 | 10 0.015 | 08055 | 8 | 10 | 15 | 5.5 | |||
| 08075 | 7.5 | ||||||||
| -0,016 10 -0,034 | 12 0.018 | 10070 | 10 | 12 | 18 | 7 | |||
| 10090 | 9 | ||||||||
| 10120 | 12 | ||||||||
| -0,016 12 -0,034 | 14 0.018 | 12070 | 12 | 14 | 20 | 7 | |||
| 12090 | 9 | ||||||||
| 12120 | 12 | ||||||||
| -0,016 14 -0,034 | 16 0.018 | 14120 | 14 | 16 | 22 | 12 | |||
| 14170 | 17 | ||||||||
| -0,016 15 -0,034 | 17 0.018 | 15090 | 15 | 17 | 23 | 9 | |||
| 15120 | 12 | ||||||||
| 15170 | 17 | ||||||||
| -0,016 16 -0,034 | 18 0.018 | 16120 | 16 | 18 | 24 | 12 | |||
| 16170 | 17 | ||||||||
| -0,016 18 -0,034 | 20 0.021 | 18120 | 18 | 20 | 26 | 12 | |||
| 18170 | 17 | ||||||||
| 18200 | 20 | ||||||||
| -0,020 20 -0,041 | 23 0.021 | 20115 | 20 | 23 | 30 | 11.5 | 1.5 | 0.6 | 0.4 |
| 20165 | 16.5 | ||||||||
| 20215 | 21.5 | ||||||||
| -0,020 22 -0,041 | 25 0.021 | 22150 | 22 | 25 | 32 | 15 | |||
| 22200 | 20 | ||||||||
| -0,020 25 -0,041 | 28 0.021 | 25115 | 25 | 28 | 35 | 11.5 | |||
| 25165 | 16.5 | ||||||||
| 25215 | 21.5 | ||||||||
| -0,025 30 -0,050 | 34 0.025 | 30160 | 30 | 34 | 42 | 16 | 2 | 1.2 | 0.4 |
| 30260 | 26 | ||||||||
| -0,025 35 -0,050 | 39 0.025 | 35160 | 35 | 39 | 47 | 16 | |||
| 35260 | 26 | ||||||||
| -0,025 40 -0,050 | 44 0.025 | 40260 | 40 | 44 | 53 | 26 | |||
| 40400 | 40 | ||||||||

İş gününden itibaren 12 saat içinde size cevap vereceğiz.
Huazhou, büyük kapsamlı işletmelerden biri olarak kendinden yağlamalı rulman ürünleri araştırma ve geliştirme, üretim, satış ve servis konularında uzmanlaşmıştır.
Huazhou, üst düzey Ar-Ge ekipmanı ve personeli ile donatılmıştır ve sarma makineleri, delme makineleri, tam otomatik pah kırma makineleri, tam otomatik sarma makineleri, hammadde sinterleme hatları vb. dahil olmak üzere çeşitli boyutlarda 200'den fazla donanıma sahiptir. Ayrıca binlerce taşlama takımı seti ile donatılmıştır ve ürünlerinin üretim verimliliği yeni bir yüksekliğe ulaşmıştır. Numuneler, günlük 500.000 adet ve yıllık yüz milyonlarca adet üretim ile 3 günde üretilmektedir.
On binlerce kalıp, 150'den fazla profesyonel ve 30 otomatik üretim hattıyla donatılmış 260'tan fazla özel ekipmanın tanıtımı.
Ürün satışlarımız Çin'in çeşitli illerinde ve Volkswagen, BYD vb. gibi çeşitli makine endüstrilerinde yaygın olarak kullanılmakta olup, uluslararası standartlarda Rusya, Malezya, Tasania, Irak, Romanya ve diğer 16 ülkeye ihracat yapılmaktadır.
