HZ-GFM Flanşlı Rulman, entegre flanş tasarımı sayesinde radyal yük kapasitesini eksenel hizalama kontrolüyle birleştirir. Isıya dayanıklı polimerlerden yapılmış olup, aralıklı şok yüklerine ve otomotiv bağlantılarında, HVAC damperlerinde veya malzeme taşıma sistemlerinde yanlış hizalamaya dayanıklıdır.
Temel Özellikler
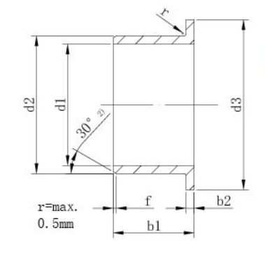
Flanş Tasarımı: Eksenel kaymayı önler; Yumuşak malzemeli muhafazalara montajı kolaylaştırır.
Malzeme: Yüksek sıcaklıklara dayanıklılık için cam elyaf takviyeli PA66 veya PEEK (kısa süreli 180°C'ye kadar).
Kurulum: Hızlı montaj için bastırarak geçirme araçlarıyla (örn. PT-1350 serisi) uyumludur.
Uygulamalar: Pompa gövdeleri, elektrikli aktüatör kılavuzları ve çift yönlü stabilite gerektiren konveyör makaraları.















